
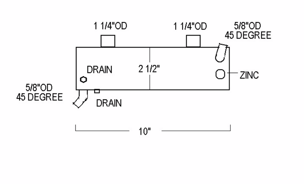
229058-S KOHLER HEAT EXCHANGER | LE: 229058-S REPLACEMENT HEAT EXCHANGER
229058 KOHLER HEAT EXCHANGER | LE: 229058 REPLACEMENT HEAT EXCHANGER
Used on the following generators: 9EOZ 10EOZ 23EFOZ 27EFOZ
Made with pride by Lenco in Long Island, NY. Call us at (631) 842-4049 with any questions.
229058-s